Sewing Machine, Industrial Cylinder Arm Walking Foot, (Techsew TS-2750) ID:183

From Protospace Wiki
(Redirected from 183)
Jump to navigation Jump to search

← Back to tools we have

183.png
Techsew TS-2750
Type TechSew Cylinder Arm Walking Foot Sewing Machine
Make/Model TS-2750
Serial number
Original owner Protospace
Loan status Owned
Arrival date 2024-06-08
Location Sewing Room
Functional status Operational
Usage permissions Members only
Certification Industrial Sewing Machine
Wiki-ID 183
Label 1.0" 1.5" 2.0"


Specs

From manufacturer website:

Designed for sewing leather products, nylon webbing, canvas, denim, synthetic materials and heavy fabrics

  • Compound walking-foot feeding mechanism
    • up to 1/2" thick leather
  • Stitch Length: 1-9mm
  • Reverse Feed
  • 10" length, 3" diameter cylinder arm
  • Needle
    • System: 135X17 (DPX17)
    • Size: 18 to 24
  • Thread
    • Top: Right Twist (Z)
    • Bobbin: Right or Left (S or Z)
    • Size: #45-#210
  • Safety Clutch protects rotary hook
  • Adjustable speed Servo motor 400-2000 SPM

Usage

Almost all machine functions are covered in the Techsew youtube documentation:

Playlist: https://www.youtube.com/watch?v=Qc7WBXREGpQ&list=PL4iVwH6cbP578HmtFcGT_cfE5wodn1RWf

Oiling: https://www.youtube.com/watch?v=IqG6p0OJkZo

Threading: https://www.youtube.com/watch?v=kGQq7n6modk

Startup: https://www.youtube.com/watch?v=doFv5mRpels

Note: The 2750 and 2750 pro are the same machine with extra features bolted on. We have the non-pro version. The instructions are mostly the same between the models. The non-pro does not have a needle positioner.

Always power off the unit before any mechanical adjustments, accessory changes, needle changes, or threading.

Caution: The foot pedal WILL STILL OPERATE THE MACHINE for a few revolutions if the controller has recently been powered off. The servo controller will retain a moderate capacitor charge after powering off. To drain this charge, firmly hold the hand-wheel while gently depressing the pedal - the motor will try to turn at low speed but will quickly run out of power. Once the capacitors are drained, the unit is safe to work on.

Needle and Thread compatibility
Metric Needle Size Needle size Compatible Thread size
100 16 30, 46, 69
105 17 30, 46, 69
110 18 46, 69
120 19 69, 92
125 20 69, 92
130 21 69, 92
140 22 92, 138
160 23 138
180 24 138, 207

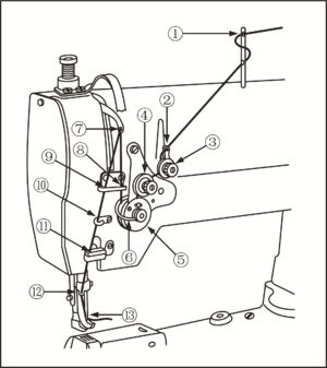
Threading

Techsew threading

Startup

  1. Assume someone changed the configuration since the last time you used the machine. Inspect everything.
  2. Power OFF the machine to inspect, oil, and thread:
    1. Ensure switched off, and capacitor drained per warning above
    2. Inspect all moving parts for correct installation, wear, and damage. (bent needle, etc)
    3. Lubricate all oil points (red paint marks) with sewing machine oil.
    4. Thread machine
    5. Install bobbin
      1. Bobbin carrier is held in with a spring latch, lift it with a fingernail or flat screwdriver, then remove the carrier+bobbin.
      2. Install new bobbin in carrier - Thread should be wound clockwise when viewed from the 'underside' of the carrier. (bobbin will rotate clockwise when thread is pulled out).
      3. Slide the thread under the bobbin carrier spring, and route upwards through the notch in the carrier.
      4. Install the bobbin carrier into the machine, and lower the spring latch.
      5. Run the threaded machine forward 1 revolution by hand to take up the bobbin thread.
      6. Profit.

Sew your thing

NEVER run the machine backwards. If you've gone forward enough to puncture your material with the needle, it's too late to go back. Finish that stitch. If you run backwards, you WILL wrap thread around the bobbin carrier and it will need to be unblocked involving some machine surgery.

Use the right pedal to lift the presser foot and release tension to install/remove your work piece.

Use the left pedal to sew. Sewing speed is variable starting at a minimum 400spm. If the controller is set higher, full deflection of the pedal will result in full set speed. Minimum deflection will always start at 400spm speed for brushless servo motor torque/control reasons.

Hold tension on the loose thread ends towards the rear of the machine at the start of each first stitch.

Shutdown

  1. Always power down the machine when not actively using it. Make it a habit, even if just stepping out of the room.
  2. Remove your thread: Most excellent: cut your thread at the spool, leaving a remnant that can be tied to the next spool to speed threading.
  3. Clean all surfaces in and around the machine: Remove offcut threads, dust bunnies, debris, etc.
  4. Remove any accessories installed (binding edger, flat-top, etc)
  5. Cover the machine __todo: sew a cover, in the meantime, use any cloth.

Install accessories/feet

Follow the video guides. Return machine to factory default when you are done.

Virtually every screw on the machine is flat-head. With the correct size screwdriver, these can and should be significantly torqued.

USE THE CORRECT SIZE FLAT-HEAD SCREWDRIVER TO NOT MANGLE THE SCREWS.

Install/change needle

  1. Raise needle bar to highest position using the hand wheel.
  2. Hold existing needle to prevent it falling when loosened.
  3. Use a flat-head screwdriver to loose the needle set screw.
  4. Remove the old needle, and replace with new needle.
    1. The needle shaft is round - orientation matters!
    2. Long groove on the left, Scarf on the right
  5. Tighten needle set screw.

Bobbin Winder

  • Operates on the main machine belt: the needle/feed will operate while winding the bobbin.
  • Always remove the upper thread from the needle before operating the bobbin winder to prevent a blockage. Best practice is to unthread to before the take-up arm to prevent thrashing.
  • Thread through the thread arm above, then winder tension guide hole (back right of table), tension disc, and forward to the bobbin.
  • The bobbin winder will automatically disengage from the belt at about 80% full. Do not overfill the bobbin.

Troubleshooting

Thread tension - upper tension controls the look on the bottom. Bobbin tension controls the look on the top.

Thread blockage - Remove bobbin cover, lift flap and remove bobbin carrier, unscrew shuttle screws, remove shuttle, remove thread blockage, lubricate, replace in reverse order. Likely requires timing adjustment (below).

Shuttle hook timing adjustment - see video tutorial. Shuttle hook on a clutch to prevent damage. Timing will need to be reset after a crash or blockage.

Foot pressure

Documentation

PDF on google drive